J641氣動截止閥

J641氣動截止閥

  • 質量穩定
  • 價格合理
  • 交貨快捷
  • 泰通閥門為您提供全套工程閥門解決方案
  • 銷售:021-6810 3333    6139 0811
  • 傳真:021-5168 6322
  • 地址:上海南匯空港工業區金聞路1288號

詳細介紹

主要用途
本閥采用雙作用氣缸,利用上腔進氣或者下腔進氣來遠距離控制閥門,操作方便、靈活。氣缸使用介質:壓縮空氣,氮氣。結構簡單、制造和維護方便;工作行程小,啟閉時間短;關閉體(閥瓣)與閥座密封面采用錐面密封,關閉力小,耐沖刷,密封可靠。閥座可為更換式閥座,可任意組合與關閉件密封面材料的配對,以滿足工況要求,延長使用壽命

結構特點
1、選材考究,符合國內、外相關標準,結構合理,造型美觀。
2、閥瓣、閥座密封面采用鐵基合金堆焊或司太立(Stellite)鈷基硬質合金堆焊而成,耐磨、耐高溫、耐腐蝕、抗擦傷性能好,使用壽命長。
4、閥桿經調質及表面氮化處理,有良好的抗腐蝕性和抗擦傷性。
5、可采用各種配管法蘭標準及法蘭密封面型式,滿足各種工程需要及用戶要求。
6、閥體材料品種齊全,填料、墊片可根據實際工況或用戶要求合理選配,能適用于各種壓力、溫度及介質工況。
7、倒密封采用螺紋連接密封座或本體堆焊奧氏體不銹鋼而成,密封可靠,更換填料可在不停機情況下進行,方便快捷,不影響系統運行。

應用規范

設計與制造

GB/T12235

連接端尺寸

結構長度

GB/T12221

法蘭尺寸

JB/T79

檢驗與試驗

JB/T9092

材 料

碳鋼

GB/T12229

不銹鋼
GB/T12230

合金鋼

Q/ZB66

標 志

GB/T12220

供 貨

JB/T7928

主要零件材料及主要用途

閥體

閥蓋

閥瓣

密封圈

閥桿

填料

適用介質

適用溫度
(≤℃)

WCB

WCB+D507MO

 D577

2Crl3

柔性石墨

水、油品、蒸汽

425

ZGlCrl8Ni9Ti

0Crl8Ni9Ti
Stellite12

Stellite6

lCrl8Ni9Ti

PTFE

硝酸類

200

ZGlCrl8Ni2Mo2Ti

CF8M
Stellite12

lCrl8Ni2Mo2Ti

lCrl8Ni2Mo2Ti

PTFE

磷酸類、
堿類、混酸

200

ZG00Crl7Nil4M02
CF3M
Stellite12
Stel1ite6
316L
PTFE
磷酸類
尿素、甲銨液
200
ZGlCr5MO

ZGlCr5MO
Stellite12

Stel1ite6

25Cr2Mo1VA

柔性石墨

水、油品、蒸汽

550

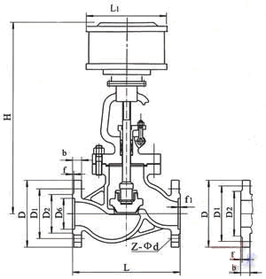
主要外形尺寸、連接尺寸及質量

 

公稱壓力
PN(MPa)

公稱通徑
DN(mm)

標準值

參考值

L

D

D1

n2

D6

b

f

f1

Z-φd

L1

H

1.6

50

230

160

125

100

 
 

16

3
 
 

4-φ18

185

645

65

290

180

145

120

 
 

18

3
 
 

4-φ18

232

690

80

310

195

160

135

 
 

20

3
 
 

8-φ18

232

715

100

350

215

180

155

 
 

20

3
 
 

8-φ18

232

770

125

400

254

210

185

 
 

22

3
 
 

8-φ18

283

780

150

480

280

240

210

 
 

24

3
 
 

8-φ23

283

810

200

600

335

295

265

 
 

26

3
 
 

12-φ23

283

967

250

622

405

355

320

 
 

30

3
 
 

12-φ25

283

1143

300

698

460

410

375

 
 

30

4
 
 

12-φ25

283

1292

2.5

50

230

160

125

100

 
 

20

3

 
 

4-φ18

185

645

65

290

180

145

120

 
 

22

3

 
 

8-φ18

232
690

80

310

195

160

135

 
 

22

3

 
 

8-φ18

232
715

100

350

230

190

160

 
 

24

3

 
 

8-φ23

232
770

125

400

270

220

188

 
 

28

3

 
 

8-φ25

283
780

150

480

300

250

218

 
 

30

3

 
 

8-φ25

283
810

200

600

360

310

278

 
 

34

3

 
 

12-φ25

283
967

250

622

425

370

332

 
 

36

3

 
 

12-φ30

283
1143

300

698

485

430

390

 
 

40

4

 
 

16-φ30

283
1292

4.0

50

230

160

125

100

88

20

3

4

4-φ18

185

645

65

290

180

145

120

110

22

3

4

8-φ18

232
690

80

310

195

160

135

121

22

3

4

8-φ18

232
715

100

350

230

190

160

150

24

3

4.5

8-φ23

232
770

125

400

270

220

188

176

28

3

4.5

8-φ25

283
782

150

480

300

250

218

204

30

3

4.5

8-φ25

283
875

200

600

375

320

282

260

38

3

4.5

12-φ30

283
1160

 

 

產品尺寸

溫馨提示:“J641氣動截止閥”所有文字、數據、圖片均只適用于參考。
如需與實物相吻合的性能參數、結構尺寸參數等詳情請來電來函索取。
電話:021-68103333    傳真:021-51686322
  • 泰通二維碼掃一掃關注我們
  • 聯系我們
  • 公司地址:上海南匯空港工業區金聞路1288號
  • 浙江基地:溫州甌北東甌工業區
  • 銷售:021-68103333 
  • 傳真:021-51686322
  • 郵箱:ttv@shttv.com
© 2017 上海泰通閥門有限公司 版權所有 滬ICP備07023727號
Top

[關閉]免費接聽泰通銷售工程師電話

輸入手機或固定電話號碼,點擊“免費咨詢”按鈕后,
我們的服務人員會在15秒內回撥您。

手機請直接輸入:如 13878800000
座機前請加區號:如 02168103333
我們已對本次通話全程加密,您的通話費用我們已經幫您支付,請放心接聽!
免費通話所產生的費用由我們來支付,請放心接聽!
銷售熱線:021-6810 3333